贺刚,1982年7月1日出生于山西省晋中市平遥县,中国内地影视男演员.

相关图片

刘凯,中国内地影视男演员,毕业于解放军艺术学院戏剧系.

国内颜值最高十位男星(中国10大最帅男明星)

[平和诗词]26千钟醉 中国影视剧男演员(九)[嵌影视剧名] 郑家安/文

中国男明星里谁的手特别好看

刘昊然中国内地男演员

随机推荐

大阪华人美发工作室漂染

绿肽原液国际雅兰正品 仙人掌 橄榄叶 灵芝原液国际雅兰原液

高质量的舞台音响具备哪些因素

乐器吉他图片,高清图片-壁纸族

郭俊辰

王二妮《荞麦花》

不得不叹服的瓦楞纸艺术品

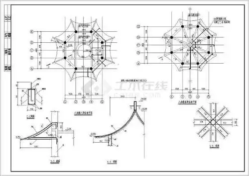
某三层八角塔cad详细施工说明全套图纸