施耐德真空断路器结构单元与控制接线图

相关图片

施耐德低压电器选型手册-塑壳断路器,负荷-隔离开关选型指南

断路器共有47个二次回路接线端子

二:急停按钮开关配合熔断器,接触器时的接线图(最简单的情况)

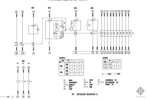
dw15系列万能断路器接线图

九,控制器与执行断路器接线图

随机推荐

刘涛身着 st. john 黑白拼色连衣裙出席2021国剧盛典

宋亚轩商战精英爆改店小二#金丝眼镜真的很鲨我啊啊啊能不能焊丝

漩涡鸣人简笔画全身彩色

小时候的易烊千玺

女友视觉下的黄轩太诱人了颜值爆表让人移不开眼牵动少女心绪

成熟男人头像男人味 高清好看的成熟大叔男人味十足微信头像图片_男生

婚鞋jimmychoo水晶鞋太好看吧

唯美粉色海报背景