深入理解pid的微分积分电路

相关图片

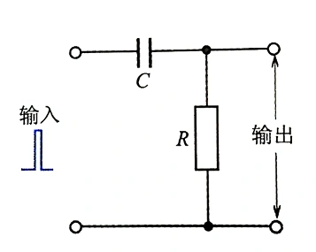
微分电路

第49期06基础运算电路微分运算电路解析欢迎指正

847方波放大电路微分运算电路

微分电路与积分电路

微分电路和积分电路

随机推荐

23岁的胡歌是真的有古装牛b症吧

何炅结婚了吗老婆是谁?何炅老婆真的是王菁吗?

笔画怎么画简单易画q版教程二次元动漫人物简戴帽子的小女孩简笔画

最喜欢看刘耀文宽肩撑衣时刻 红豆生南国,刘耀文是男模[互粉] #tf

9一10岁公主简笔画 - 简单简笔画

美女相吸!李嘉欣与黎姿合照曝光 保养得当美艳动人

粉红女郎涩女郎【男人婆何茹男和建筑师孙念慈】支线cp 全cut_哔哩

你为什么喜欢勇士队