单相 strong>桥式整流电路 /strong>

相关图片

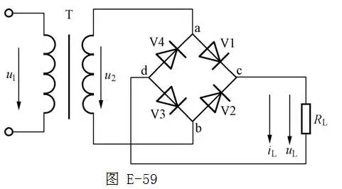
[问答题,简答题] 绘图题:画出单相桥式整流电路图.

单相桥式整流电路

如图所示的单相半控桥整流电路,有一纯电阻负载,需要可调的直流电源

单相桥式整流电路的构成与原理

连上电源变压器和负载的单相桥式整流电路图

随机推荐

刘德华头像图片

充满正能量的励志文字语录图片桌面壁纸

超好看的动漫情头

张萌丨身穿黑粉黄撞色紧身泳装写真

吉克隽逸风格百变 时而清秀 时而妩媚 但皮肤总被诟病

fhhuabd生理裤少女条纹内裤学生抗菌三角裤底裤头中腰蓝色6条均码651

五一来江西放肆嗨# 石钟山景区地处江西省九江市湖口县境内,为国家

原创曲芷含长大了穿自己设计的婚纱网友怀疑这是一个15岁的孩子