22套农村新款二层农村别墅,根据个人喜好而设计,最适合自家的房子

相关图片

10米面宽二层现代别墅出彩呈现

10x8米二层实用小别墅推荐,简单易施工,4室2厅2卫18万可建主体

10米×12米,二层中式风别墅 92房屋概况 编号: dc1001 层数: 二层

30套二层农村1010二层的小洋房1520万左右二层农村自建房别墅

二层别墅 #别墅设计 #农村自建房

随机推荐

来看迪丽热巴红毯礼服造型合集 果然时尚的完成度还是靠脸

消息长腿boy王俊凯身材修长比例完美惹人爱

亲爱的热爱的卸妆杨紫可爱胡一天没差别最后一位真实

陈慧娴 珍演唱会 2nd 2003 2cd港版全新

此外,有ai明星视频制作者发出了价格单,显示提供逝者照片后生成1分钟

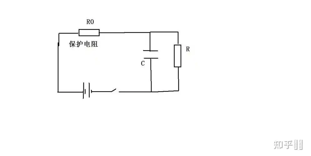
13001组成的山寨手机充电器电路

shy什么意思一文获悉

【编号b020】喜庆好运来-微信头像,百家姓氏微信头像,名字壁纸