国风电脑壁纸系列这种也很喜欢

相关图片

中国风壁纸图片

中国风系列电脑壁纸

唯美中国风插画桌面壁纸

【360资源组】中国风壁纸(1920x1200)

中国风壁纸图片

随机推荐

【novelai】古月娜x纯白婚纱(每一张都是高清壁纸)

008 吹头发-张真源:你值得被温柔相待-话本小说网

m字发际线的男生这样设计发型时尚又帅气

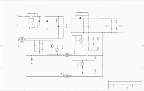
apple ipod,iphone充电器电路原理图(tl431)_word文档在线阅读与下载

头像图片2023最火爆背影女

庄心妍7715 上新图喽91 91 《两个人的回忆一个人过》 - 抖

csgo手机 电脑壁纸赏析第4期 - 知乎

创意绘画海报设计