普通电饭锅电路图

相关图片

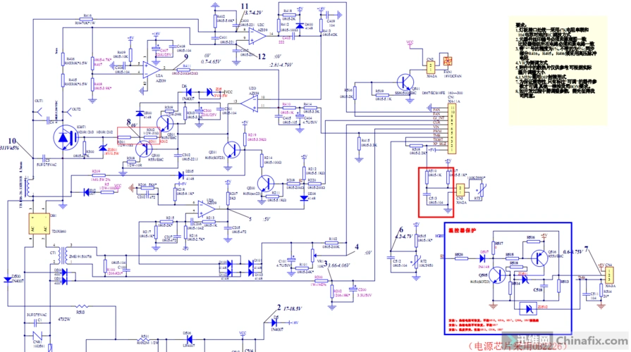
电饭煲用控制电路

智能电饭煲电路原理图及故障检修方法

方型电脑自动电饭煲电路2

容声cfxb5090da型多用电饭锅电路图

九阳jyc-21es10图纸资料

随机推荐

苏有朋女友曾是名俏护士 谈林心如称其嫂级人物

美的电热水器dsf70u快热式电热水器极地白封闭式

头像 女生头像 动漫头像 黑白头像 可爱头像 动漫 二次元 卡通头像

电影时装女装品牌2019秋冬个性时尚收腰呢子外套

欧豪

奥展din7504n十字盘头自攻自钻螺钉304不锈钢 燕尾丝st3.9*13-6.

中国风书法艺术宽屏壁纸壁纸图片

紫丽丸仙人球多肉植物盆栽室内防辐射开花仙人掌群生多头净化空气