刘宪华的热爱如金##纯电smart首位代言人刘宪华

相关图片

刘宪华加盟舞蹈风暴多面综艺感助力起舞盛宴

刘宪华原创单曲《i like it》首发 rap抓耳旋律动感撩人__凤凰网

p>刘宪华(henry lau),1989年10月11日出生于加拿大,就读于伯克利音乐

刘宪华个人资料刘宪华简介及图片

国外购彩网站

随机推荐

学会这几招 你就是王一博!

47岁林心如小腹隆起惹争议与谢娜相差5岁差距却很大被嘲像母女

不愧是郑州蛊王#马嘉祺 #氛围感 #男友风 - 抖音

女星张佳宁公主造型:美丽动人,姣美可爱

37岁李小璐,37岁谢娜,37岁张歆艺,网友:真脸和假脸,还是有差距的

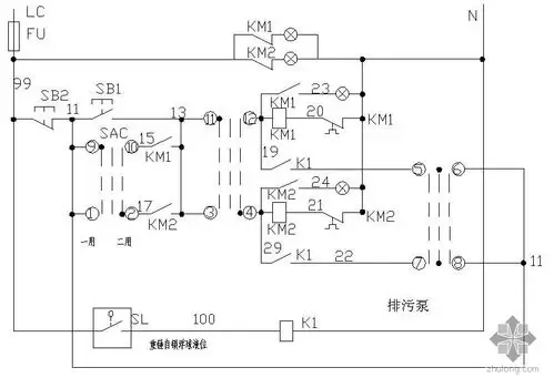
排污泵控制原理

从头部入水开始,轻松学习蝶泳姿态_手机搜狐网

生容易活容易生活真的不容易