用什么符号表示 图中sb1是急停按钮 网友回答 电路中带一个小蘑菇头

相关图片

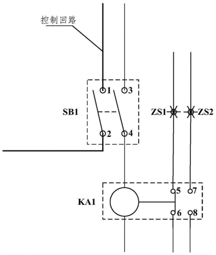
急停按钮控制电路的制作方法

急停按钮 电路图打开画图软件太慢了,我直接给你画一个.

czsr80012a2b开关型安全设备输入急停按钮安全门24vdcac2no2nc自动

三相异步电动机正反转电路中在按下急停按钮时是电动机瞬间反转数秒钟

在这个电路设计图中,使用合适的急停按钮s0,熔丝f0以及可靠的接戴器

随机推荐

世说兴语 no.4 丨 属于张艺兴的实力标签

二次元头像男冷酷帅气 男生好看的邪魅二次元头像

超可爱的小狮子,奶味足,气场大!

"黑涩会美眉"成员再聚首,集体换脸认不出,清一色网红模样

新款泳衣女分体女士防晒保守套装修身运动泳装游泳衣

康熙王朝容妃李建群患癌去世生前一张照片令人心疼

杭州西湖# "杭州西湖:从苏堤春晓到雷峰夕照,美不胜收" 杭州,是易座

高清lol壁纸