电路图mp3电路图

相关图片

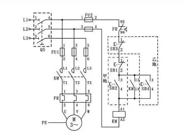
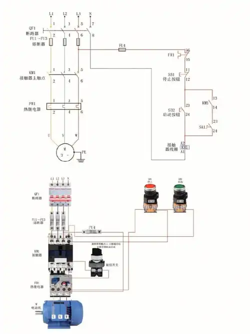
中国工控 |电工实操考核中,最经典的7张电路图(高清收藏版)

干货36种常见照明电路图

15个常见的电工中级电路图

干货36种常见照明电路图

常见电工电路接线以及实物接线图

随机推荐

老照片80年代的男明星们看看哪位是自己喜欢的男神

肖战表情包动图

欧豪唱军歌好帅##绝地追击北京首映礼

高圆圆在《咱们结婚吧》中的唯美剧照,女神太漂亮了!

2分的《东八区的先生》,这难道就是张翰打磨4年的代表作?

小山竹晒照庆祝8岁生日,小萌娃长成亭亭玉立美女了,甜美又可爱_漂亮

魔法少女伊莉雅,官方q版形象,下载

纽约大龙燚火锅店lic开门啦