张馨予情人节秀恩爱与老公亲密自拍玩亲

相关图片

张馨予与老公甜蜜出游,何捷掌镜给爱妻拍美照,夫妻低调的秀恩爱

张馨予夫妇恩爱游玩丽江,何捷蹲地为老婆拍照,女儿留家上幼儿园_照片

张馨予夫妇恩爱游玩丽江,何捷蹲地为老婆拍照,女儿留家上幼儿园_照片

张馨予罕见晒老公生活照现实版的厉致诚出镜方式很特别

张馨予与老公甜蜜出游,何捷掌镜给老婆拍美照,夫妻低调的秀恩爱

随机推荐

越老越帅的男演员我只服这5位气质好不说连鱼尾纹都是戏

橙熟了约吗

单论长相,为什么陈翔和李准基长得很像却没有他帅?

治愈系笑容#宫崎骏 #图文伙伴计划 #高清壁纸 #漫画女孩 - 抖音

这是刘润公众号的第2155篇原创文章

商务女西装色彩搭配原则有哪些

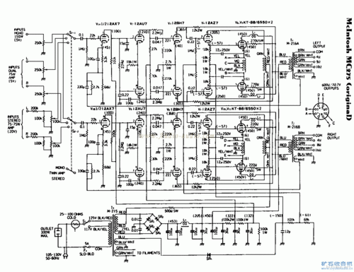
见麦景图 mc275 很合适,也有电路图.但有很多问题没搞清

写给未来自己的信 信封信件 2015奥普拉精选 英文原版 letters to my