河南一女子回娘家,晒出爹妈做的一桌菜,网友:大开眼界

相关图片

今天,儿子如愿以偿的做了自己喜欢的菜.第一次一个人的做菜过程!

今天的饭菜简单而美好

记录自己做的饭

自己做的家常菜照片是中菜的源头也是地方风味菜

自己做的家常菜

随机推荐

十二星座对应专属女神,快来截图看看你的星座是你喜欢的女神么

群聊问候欢迎表情图片第一辑

男生霸气超拽黑白头像一组冷酷忧伤的头像男

有细心的老公,我想唐嫣一定是非常幸福的吧,罗晋与唐嫣的爱情,在娱乐

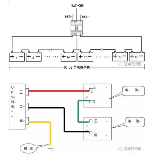
ups不间断电源有以下四种不同的工作方式:正常运行方式

【极限画质修复60帧】地底的战士-维克特利奥特曼

彼此互保,都干过把对方保送晋级的事8915而刘忻和李斯丹妮的联系

演员李健个人资料 演员李健妻子黄佳慧资料