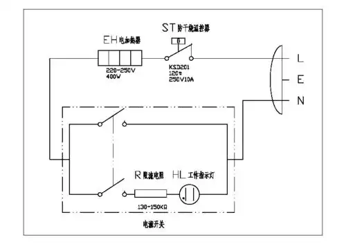
高压锅电路接线图

相关图片

电压力锅篇(全篇).rar

电火锅是分不同温度档的,我想把温控器去了,改成直加热的,怎么接线?

创迪电压力锅电路图及相关介绍

ya502电压力锅电路图.jpg

美的my-ch60c自动电压力锅电路图

随机推荐

(▲庭审现场)

黄瓜爆炒虾

《铁马豪情的日子》收官 网友喊话徐洁儿:把旗袍焊在身上! _电视_星悦

秀恩爱情头真人接吻 高清唯美的超甜秀恩爱情头真人图片_情侣头像_美

【追星手帐×林彦俊】24 | 手帐拼贴 | vol.18

斗图黑白动图金馆长真是难以描述gif动图_动态图_表情包下载_soogif

无咎菩提——记忆宫殿——高清1000地点桩(样图)

测量皮肤颜色有何用途?