个性艺术插画背景图片电脑桌面壁纸

相关图片

求一些简约又有个性的横屏壁纸? - 知乎

经典个性黑白高清桌面壁纸

超级跑车帕加尼时尚炫酷创意设计个性图片桌面壁纸8p

个性文字控励志桌面壁纸

美丽五彩热气球天空飞翔个性高清图片电脑桌面壁纸 第二辑

随机推荐

原创宋承宪前女友成宥利陷30亿非法资金丑闻本人称不管公司经营操作

时尚芭莎 | 王一博

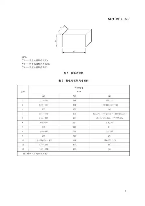
电动汽车用动力蓄电池产品规格尺寸

【图】台湾著名影星秦汉老婆邵乔茵现状 爆林青霞曾当小三上位

林更新现身直播活动状态佳 超高人气引热议

峰峰 李易峰 头像 明星

鬼见怕

辛亥革命时,袁世凯为何不立刻复出参与革命?从档案分析其心理