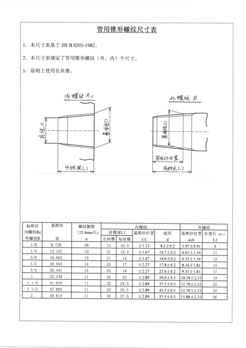
螺纹尺寸表

相关图片

npt zg 锥螺纹标准

npt美国60°锥管螺纹尺寸标准与数据.doc 2页

有人会编r1的55度圆锥管螺纹吗?

55圆锥管螺纹型式和尺寸

数控车npt一又二分之一锥度内螺纹总长22mm,内径大头和小头车到多大

随机推荐

粉发959595#画画 #王源 #q版 #稿件展示

女星杨紫清凉写真清新明丽俏皮可爱

适合年轻人的山水好运头像#优质头像 #山水头像#山水画微信头 - 抖音

动漫女生素描 动漫女生素描画全身

《燕无歇》- 蒋雪儿 -【hi-res无损音质】【4k高清壁纸】

奇迹暖暖十二星座官方q版壁纸射手

迷你世界古风皇宫建筑迷你世界生存古风建筑教程

黄景瑜幸福触手可及开播电商大佬宋凛在线诠释精英图鉴