三相电机的接线方法

相关图片

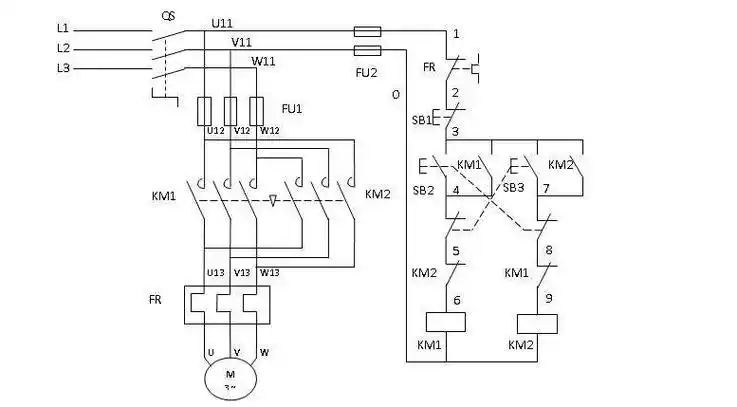
三相异步电动机接线图

三相异步电机接线方法电路图

老师,请问这个三相电动机正反转实物接线应该怎么接

三相异步电动机正反转实物接线图!

三相异步电动机正反转接线图

随机推荐

angelababy.你没见过的照片之 → #杨颖angel - 抖音

男士寸头可以说是一种不挑年龄的发型,利落有型还精神,年轻男士可以

张柏芝多大年龄了(张柏芝现在年龄多大) - 直播好站

2021年流行5款日系精灵短发

好羡慕边伯贤手里的花啊,真是的,每天都那么帅,真是太上头了

和毛晓慧同回酒店举止亲密,杨紫又莫名躺枪_媒体_操作_官宣

事实上,这个时代正是台湾偶像剧繁荣发展的黄金时期.

世勋-exo200706《1 billion views》【饭制图】【94sxs01】勋勋证件照