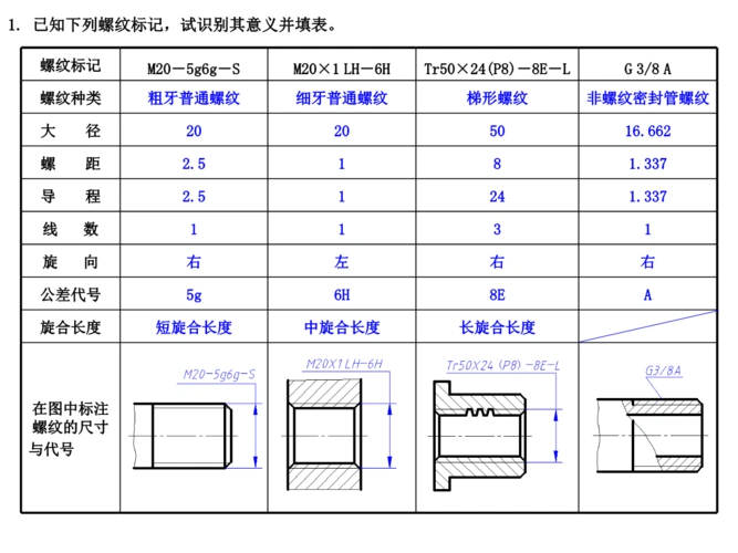
螺纹的标注方法

相关图片

中所示m20粗牙普通外螺纹的错处圈出,将正确的画在下面(包括尺寸标注)

螺纹的标注方法

多种螺纹画法及标注

螺纹的标注方法

螺纹画法及螺纹标注含义! 加工螺纹,右旋左旋要分清! #螺纹 - 抖音

随机推荐

35岁刘亦菲近况变化大模样胖到毁三观网友直呼认不出

red velvet mv 自调 cr.挽古 禁二

"诱奸"45岁半老徐娘怀孕,时隔1056天的杜志国,又曝新情况

杨洋腹肌只剩短裤 创业时代演员杨洋

尸鬼

新品金丝框眼镜链条珍珠款眼镜框女复古链条潮平面镜平光镜链子学生男

回顾自古塌鼻出美人这10位女星个个惊艳有人曾靠鼻子美出圈

为了给年幼的儿子一个豪迈的答复,巴彦淖尔小伙张文璇骑着摩托车环游