简易电子管功放电路图大全6p3ptda2822mc2756n5p电子管全文

相关图片

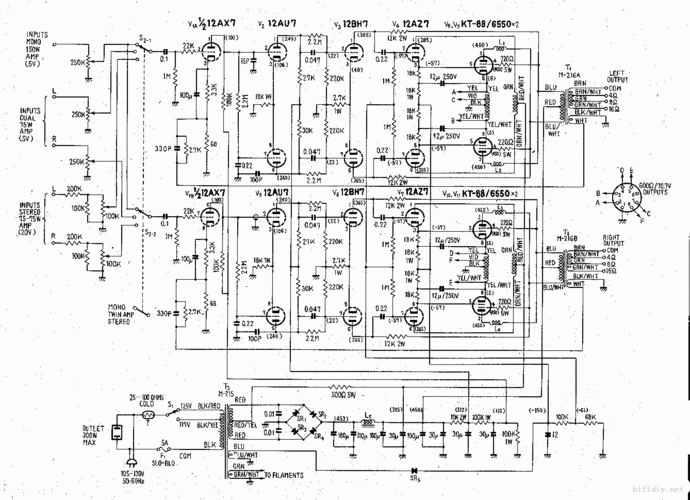
见麦景图 mc275 很合适,也有电路图.但有很多问题没搞清

麦景图275胆机kt88串火求助

求kt88并联推挽的电路图麻烦j版和各位dx了

麦景图c22功率放大器电路图

求电容麦驱动电路

随机推荐

2017年底,李小璐因"做头发"事件在网上引起轰动.令人意外的是

虎门镇

我是同谋修正版博君一肖双向病娇我是你的受害者亦是你的同谋

媒体邀约,联系媒体,新闻发布会,媒体专访,媒体邀约

测身高,体重

妹妹.好爱妹妹 好好看#超有镜头感的小女孩 以后她长大之后会 - 抖音

大结局

东芝ge迈图momentiv胶水tse389-c硅胶 单组分脱肟型粘合剂 密封胶