mcintosh 麦景图c11电子管前级维修电路图

相关图片

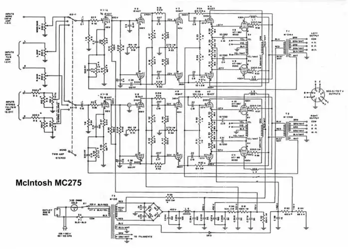
麦景图功放mc-275电路图

一代名机mc275

麦景图275胆机kt88串火求助

mcintosh麦景图mc175胆功放电路图

麦景图c22唱放前级放大器电路图

随机推荐

张曼玉低调看展被认出无滤镜下的素颜太真实干瘪憔悴惹人怜

梁朝伟年轻时不是特别帅,属于大众脸,但是身上却散发出迷人的气质,这

看书的男生头像大全_微信头像图片大全

蓬莱仙境到人间.#国风古韵 #古风 #唯美意境 #风景 #国 - 抖音

双人游 |温客行 Ⅹ 周子舒 9

杨丞琳双马尾造型写真 身穿皮衣妆容精致状态好——上海热线娱乐频道

耐氏男士延时喷雾暂时男性外用延长男人男用延时喷剂印度神油延时湿巾

看图写话 助人为乐_单图专项训练简笔画