专家预测20年后农村将少有人住?农民:有这两个原因,用不了20年

相关图片

农村小规模学校渐为常态,成了中国乡村教育发展的一个缩影.

乡村教室

他每天步行来回十几公里就读于村小学,学校是土墙瓦砾房,两栋六间教室

打开这张图片的时候,想起第一天看到他们坐在教室里,一张张期待老师会

那条上学的山路 那间点煤油灯的教室

随机推荐

照镜子吴彦祖表情包|举着镜子吴彦祖表情包下载高清无水印版_ it猫扑

新编十面埋伏古筝谱大气磅礴雄宏豪迈

太阳的后裔 宋仲基

情侣头像

命系的相册-郑裕玲

情头分享_浪漫_头像分享_素材_头像_小红书

日系ins风漫画头像黑白情侣_情侣动漫头像_头像屋

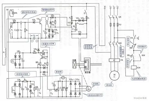
电磁调速控制电路图