肖战拱手礼##2022年末星盘点##2023新年星祝福##非正式跨年派对

相关图片

日常见肖战

肖战粉丝为"黑子"点赞,直言:再整几个狠的,算卦都没你们准_腾讯新闻

赞的表情包!是肖战啊~(图源网)

其实就是单纯的点赞的意思,说到这个梗就是和肖战有关了

肖战今天发微博啦工作室还更新了手势舞学习视频哥!

随机推荐

高人气蔡徐坤整容前后对比照曝光

先天八卦图的正确画法-文化频道-手机搜狐

手掌有痣的男人(手掌有痣的男人图) - 网络编辑之家

好喜欢任嘉伦这个发型#任嘉伦# #明星生图大赏# #娱乐最前沿

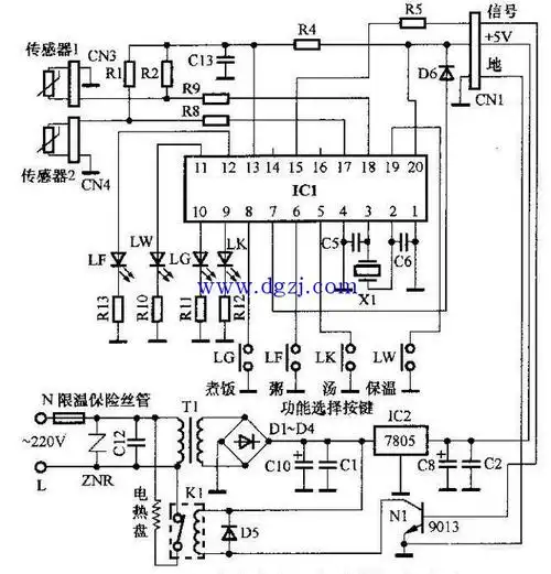
智能电饭煲电路原理图及故障检修方法

中国美术学院绘画团队-30年不掉色-台阶墙绘-楼梯彩绘手绘杭州怡丽

二次元情头粉发粉瞳粉色系眼镜男

插上跑千里边跑边充电电动车稳压器二三轮通用黑科技续航神器延寿