ya502电压力锅电路图.jpg

相关图片

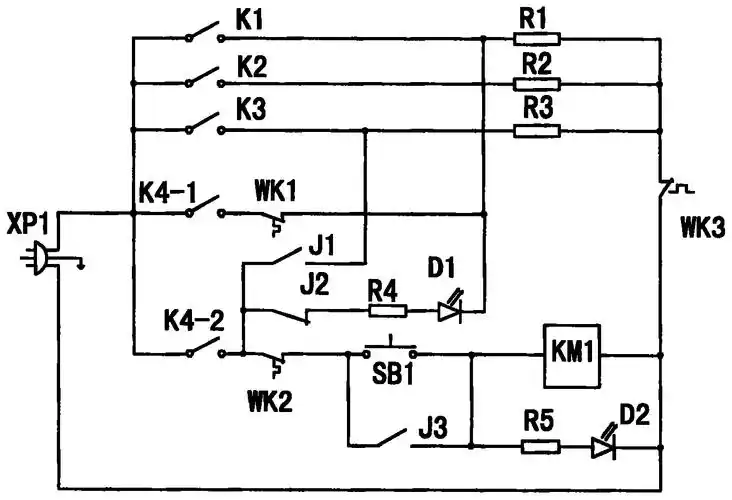
苏泊尔电压力锅cyyb40ya10-90 电路图

微电脑自动控温电炒锅的制作方法与工艺

青春牌ccfg系列调温式电炒锅电路图

电炒锅的电路原理与检修(图)

松宝牌ccbt系列高效能电炒锅电路图

随机推荐

【司酉】紫毛病娇

刘亦菲代言中国黄金花絮

林青霞乘私人飞机出行,一身行头气派十足,69岁依旧风华绝代|穿搭|小说

室内自然光写真|摄影|人像摄影|摄影师笔记 - 原创作品 - 站酷 (zcool

马桶头图片-马桶头素材-马桶头插画-摄图新视界

至2013年与金融才俊朱建昆结婚,始在情路上找到真正幸福.

彩铅哈士奇

exo的证件照就是最屌的99秒了全世界 他们都得了颜值牛逼证吧