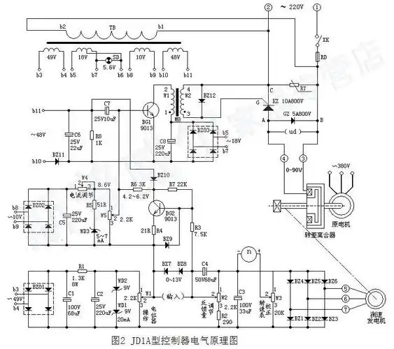
jd1a-40电磁调速电动机控制器怎样和y90s-23kw电动机上接线

相关图片

电磁调速电机控制器接线图_750

电磁调速电动机控制器接线图以使电机达到较高的使用性能

yct132-4b电磁调速电机接线图

jd1a-40滑差电机调速器 电磁调速电

电机调速器工作原理以及接线图

随机推荐

周杰伦为新电影决定减肥,表示不再喝珍珠奶茶,让粉丝惊讶!

她因长得美,在每部戏中都突出,演《康熙王朝》很赞,戏红人不红

关晓彤编发搭配牛仔造型:演绎千禧风潮

医生的简笔画医生的简笔画儿童画9张帅气的男医生简笔画图片医生加油

李一桐 白嫩美腿和玉足合集

秋季新品上市

花千骨2 1-50集全集资源下载

百鸟大全图片和鸟名,百鸟大全图片和鸟名带鸟名