据悉,由田镇执导,姚芊羽,朱晓渔,林冶等主演的年代情感剧电视剧《绽放

相关图片

醉玲珑

兰陵王毛林林之郑儿

与"台湾第一小生"林瑞阳合作过电视剧《哑妻》

兰陵王 毛林林

丛林日记》是由 a href="#" data-lemmaid="4740766">傅华阳 /a>执导

随机推荐

贝蒂betty boop 女款高级红色手提/斜挎袋

神雕侠侣 新修版(1-4) 金庸 著 玄幻/武侠小说文学 新华书店正版图

卡卡西火影忍者写轮眼合集三勾玉万花筒眼睛标志反光防水汽车贴纸

宋亚轩最新可爱头像 小猪包太可爱啦

p>沈银河,1972年9月23日出生于韩国京畿道金浦市,韩国女演员.

白敬亭与魏大勋组成的"山花组合"可谓颜值与身材俱佳,一同亮相的幻骀

金正nintaus广场舞音响视频播放器带显示屏移动充电无线话筒蓝牙k歌

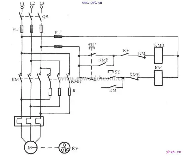
电动机制动控制电路图_电工基础知识_电工技术-电工最常见电路