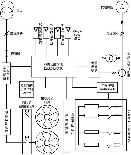
工作原理图

相关图片

如图是磁流体发电机工作原理示意图.

压敏电阻式进气压力传感器的工作原理示意图

机械设计必备资料,液压回路工作原理动图!

卸荷阀工作原理检修动画

恒温恒湿空调制冷机组工作原理

随机推荐

王俊凯坦坦荡荡进学校,2021年5月20号光明正大的毕业,反 - 抖音

警惕:白沟镇以"民间互助平台"旗号投资47600元的传销骗局

ins面膜特效简直是素颜神器

小别离蒂娜剧照

胡杏儿的《星月私房话》:误打误撞入行 15载收获颇多_综艺要闻_娱乐

餐饮行业logo设计卤味logo标志设计.卤味logo|卤肉 - 抖音

定制美甲贴片成品穿戴甲指甲ins2021新款光疗秋冬款高级美甲彩妆

求这个梵文纹身贴的翻译