每天一张图.#孙燕姿 - 抖音

相关图片

孙燕姿身穿旗袍配清新秀发,迎来事业第二春

有网友晒偶遇孙燕姿坐高铁的照片,结果遭到本人的亲自辟谣哈哈哈

孙燕姿新歌《我很快乐》mv曝光 披白纱"落水"演出 散发成熟美

背景图

孙燕姿#

随机推荐

【明洞街韩式炸鸡】明洞街韩式炸鸡电话_明洞街韩式炸鸡怎么样_360地

凡尔赛宫和路易十四称霸欧洲

【那年今日】4月23日160423超少年密码拍摄"猫咪在落叶里打滚,晚霞

358_八百里凉山里总有一处与众不同

真是太污了厦门车内激战2小时事件长达2分38秒视频曝光

复刻儿时记忆樱桃小丸子的家

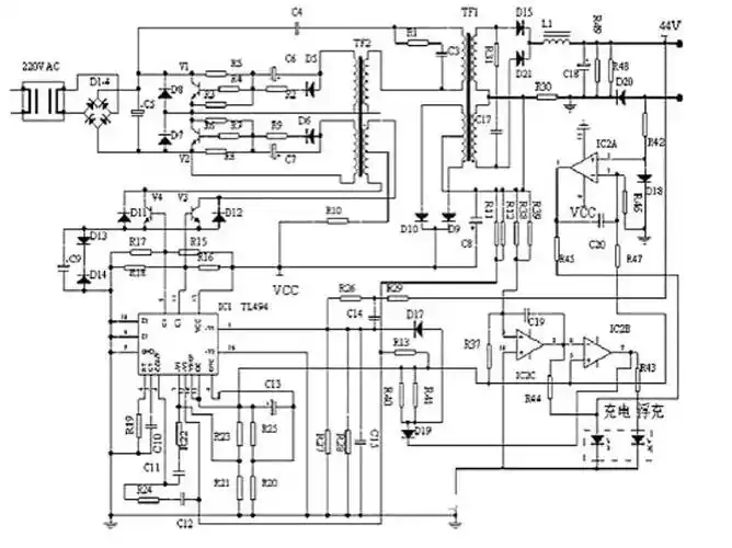
五款电动车充电器电路图讲解

白泽| 短篇小说—荒冢之役 - 简书