蓝洁瑛被称为"靓绝五台山",这个称号名副其实.

相关图片

她是靓绝五台山的女神,穿素衣秀雅又时髦,50岁却让网友不敢认

靓绝五台山有哪几个人

活动 【经典桥段】当年靓绝五台山

美丽本无罪,靓绝五台山,奈何人有鬼,性格即命运,红颜终薄命【港星.

靓绝五台山

随机推荐

朋友豪华的生日宴这谁顶得住啊

王俊凯q版头像歪脖子卡通头像

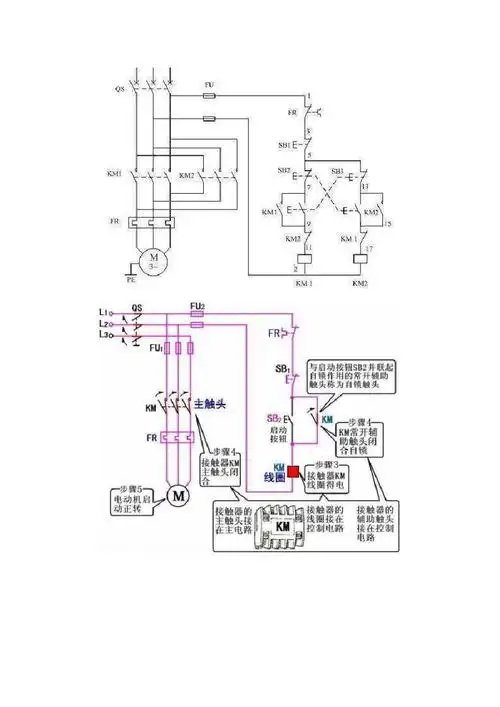
继电器常用自锁电路图

仙剑李逍遥调戏林月如林月如这表情实在太入戏了

"瞎子也看得见的美貌"#爱德华弗朗 这就是所谓的破碎感少年 - 抖音

佝偻病宝宝后脑勺图

奚梦瑶与老公脸贴脸庆生!脸蛋被老公挤到变形,戴3个耳环太抢镜

邓伦穿西装白衬衫化身贵气绅士见粉丝笑容灿烂温暖人心