青你3官宣团名为ixform#青你3出道组罗一舟 唐九洲 连淮伟 刘冠佑邓

相关图片

青3第三次顺位前九名单提早被公开刘隽真的不在出道圈

青春有你3决赛名单出炉余景天罗一舟断层碾压谁将c位出道

青你3同是唱跳差唐九洲成团受欢迎而他进出道位就争议重重

青你3所有助力通道关闭粉丝心疼连淮伟决赛夜返厂取消

官媒怒斥,扯下了饭圈集资的遮羞布?

随机推荐

林心如时尚性感高清桌面壁纸

福原爱挺9个月孕肚照全家福,穿细高跟网友表示好担心

古典美女孙俪小清新休闲养眼写真手机壁纸

你是我众所周知的例外 也是我明目张胆的偏爱 #刘宇宁 #真的 - 抖音

被捕时亮炸弹背心 西班牙警方击毙恐袭漏网嫌疑人

p>郭锋(kwok fung,曾被误称为郭峰),原名郭民富,1951年10月27日生于

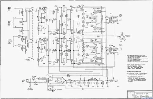
03 哪位大师,有麦景图275电路图的,发一份给我,谢谢

大行宫双地铁 平层写字楼另有302平,南京秦淮大行宫新世纪广场a座写字