我的电三轮是48v的,我现在有8块12v38a的电瓶,我怎么装到电车上

相关图片

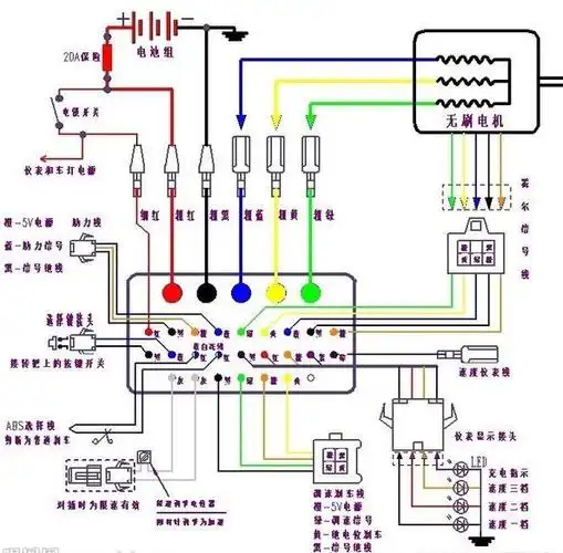
电动车电瓶怎么接线正负极那个接电机?_360问答

教你48伏电瓶的正确连接方法可别再弄错了

电动车电池常退货,揭秘让顾客信服的检测方法!

老师傅讲解48v电瓶4块电池的串联接线方法

因此铅酸电池最小单位是2v,为了方便把多个电池串联使用.

随机推荐

刘雯井柏然乘飞机互相投喂,机场相视对笑甜蜜如蜜,!

美女 文艺古风 美女模特壁纸【3】美女壁纸图片_桌面壁纸图片_壁纸

(logo设计及设计说明.doc

今天画范丞丞附步骤

图集鬼刀小姐姐

从香港到全世界,梁朝伟演出了无数影响时代的电影.

五菱荣光小卡改装折叠车棚

5岁娃的乐高变形机器人