严浩翔叁重楼暨出道四周年演唱会##严浩翔 舞台风暴##严老师我需要手

相关图片

严浩翔叁重楼暨出道四周年演唱会##今日星拍放送

严浩翔 二代唯一all红##严浩翔叁重楼暨出道四周年演唱会

时代少年团 女团舞##严浩翔叁重楼暨出道四周年演唱会

严浩翔超话yhx#直通春晚#红色与你最配38363837363738

严浩翔刀马旦舞台

随机推荐

网友买了刘亦菲同款的"寿桃裙",感觉冰溪溪穿的是高仿……[左捂脸]

一个街舞男霹雳舞的剪影在多彩的背景上跳舞图片下载

【省90元】erilles框镜_erilles 超轻方形近视眼镜 161非球面防蓝光

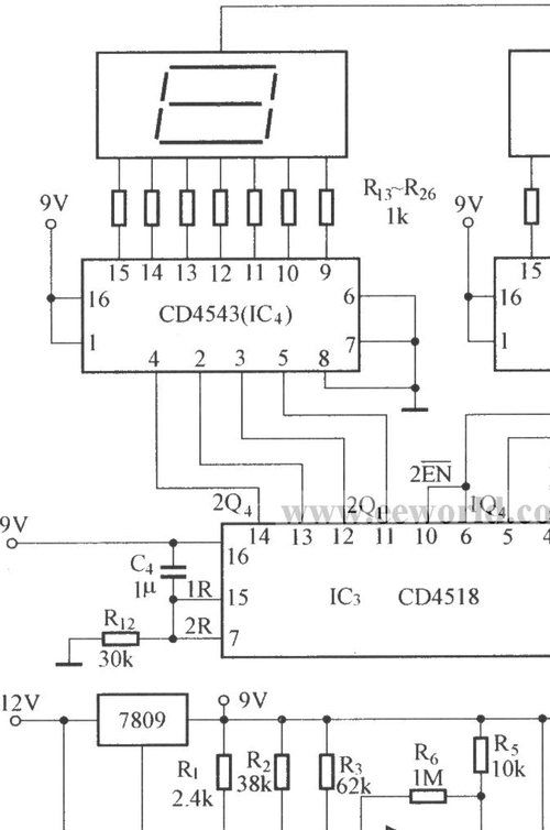
数字显示式光电计数器

杨丞琳 写真壁纸7315

(电视剧《大宅门》人物)

教会的标志耶稣基督鱼天使翅膀的十字架

荷兰荷兰长跑名将哈桑伦敦马拉松奇迹夺冠