48v电动自行车充电器不能充电

相关图片

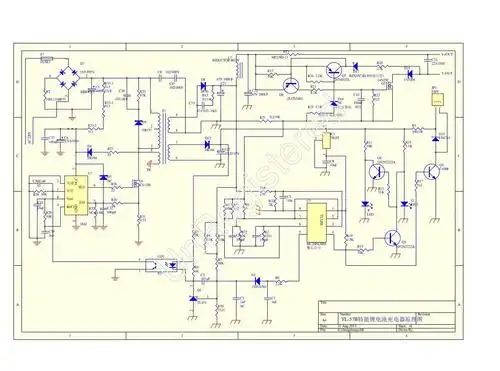
文档下载 所有分类 工程科技 电子/电路 > 特能4820锂电池充电器原理

电动车充电器电路图- 假装,放弃的日志- 网易博客

川奇机电48v铅酸充电器改锂电池充电器

48v电动车充电器故障

锂电池充电器电路

随机推荐

明星 正文0 1/5 2019年10月8日,长沙,胡歌现身机场.

非常养眼的绿色系壁纸,呵护你的眼睛

黎明罕见携妻女露面,小21岁助理老婆长相普通但气质清纯_wing_造型

中国越老越有男人味的男明星,胡歌只能排在第三位_靳东_气质_魅力十足

千纸鹤手机壁纸

圆锥曲线中的直线方程求法.

52岁黎美娴近照嫩如18岁少女,曾被梁朝伟与"丑男"导演狠心抛弃

王艺瑾新歌下雨和想你是一件事情