该机动车蓄电池充电器电路由电源电路,脉冲形成电路和恒流充电电路

相关图片

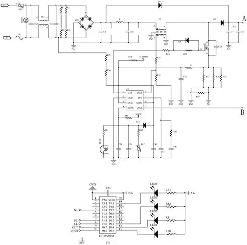
铅酸蓄电池充电器电路原理图如下

铅酸蓄电池充电电路

蓄电池充电器电路图 63 2013-11-24 锂电池充电电路 3 2010-08-05 锂

菜鸟求简易实用的12v汽车电瓶充电器原理图

求12v10a免维护电瓶充电器设计电路图

随机推荐

任嘉伦

十年后,tfboys三人的现状充分体现了娱乐圈的现实_王俊凯_王源_音乐

演员林依晨青春可爱照片集锦

头文字d 藤原拓海 头像

捅死你个傻屌 - 发表情 - fabiaoqing.com

选女主角时,"琼瑶女郎"陈红前去试镜,那年陈红26岁,尚处于颜值巅峰期

毛不易

儿童山水水彩画儿童山水水彩画简单又好看