漂亮的李慧珍李溪芮写真宽屏壁纸图片

相关图片

漂亮的李慧珍 夏乔 李溪芮

漂亮的李慧珍李溪芮同款西装在哪买夏乔同款西装价格

《漂亮的李慧珍》"最佳闺蜜"李溪芮热力袭人

『漂亮的李慧珍』夏乔♀李溪芮

李溪芮《漂亮的李慧珍》剧照图片桌面壁纸

随机推荐

时代少年团宋亚轩同款镜框 时代少年团明星代言眼镜框 男女通用 - 抖

男人拔胡子和鼻毛容易招来疾病

海贼王壁纸粗犷与柔情

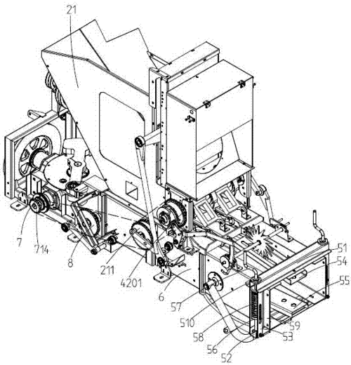
一种打捆机的制作方法

私享世界##醉美缅甸##缅甸·阿南达寺[地点]##缅甸旅行##记录旅行

新款tr成品近视眼镜框时尚潮款复古文艺素颜百搭防蓝光眼镜男9181

商标文字peacebird商标注册号 11965502,商标申请人太平鸟集团有限

白发多适合什么发型