抖音最火的渣男语录合集,高清壁纸图片,非主流-回车桌面

相关图片

2019抖音里很火的伤感独白句子语录,高清壁纸图片,非主流-回车桌面

抖音上很火的个性伤感文字图片,高清壁纸图片,非主流-回车桌面

抖音最火的渣男语录合集,高清壁纸图片,非主流-回车桌面

抖音最火壁纸图片文字创意搞笑语录手机壁纸

抖音文字壁纸高清图片

随机推荐

解读:微信表情包的扩展含义 微信表情包emoji 的真正含义: 长按表情包

水中倒影江枫渔火壁纸图片丹青水墨画唯美高清桌面壁纸4k中国风山水画

好看的纹理烫发型图片中短发纹理烫最流行

wallpaper engine3d运动光芒核心动态壁纸是一款高清的动态壁纸,画面

针管简笔画怎么画

任嘉伦学生时期旧照曝光模样青涩呆萌气质变化大

国粹京剧q版全套png动漫刀马旦2

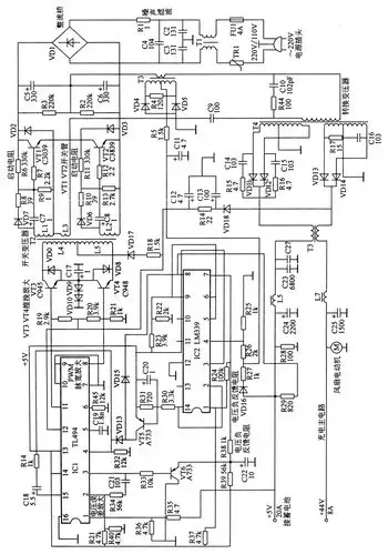
电动自行车充电器电路原理图60v60v电动自行车充电器电路图