容声单双灯保温式电饭锅电路图cfxb

相关图片

苏泊尔电饭煲电路图或者线路连接的照片

美篇

转载:电机连接,实物器件接线方法(希望对新手有帮助)

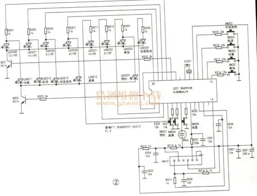
苏泊尔cfxb30fd1160智能电饭煲原理与维修

半球机械电饭锅原理图

随机推荐

心理测试:哪只猫咪最萌?测测你最近会遇到什么烦心事

清新唯美静物高清图片桌面壁纸-风格壁纸-壁纸下载-美桌网

toyota ae86 turbo - 丰田,gt86-- --改联改装

事实证明,和鹿晗挺过七年之痒的关晓彤,已经走上了另一条道路!

普通自然真人头像女可爱 宇宙限量版售的快乐,女生头像图片-回车桌面

宁德时代电动车锂电池60v外卖快递72v锂电池三轮车48v锂电瓶全新

威廉·莎士比亚素描黑色

文艺女青年的银杏季