组图:香港演员梁舜燕出殡仪式举行 周润发赵雅芝等敬送花牌_高清图集

相关图片

刚参加完谭卓告别会有谭卓遗容让我们一起在网上悼念

梅葆玖遗体告别仪式在北京八宝山举行

于蓝遗体告别仪式举行葛优神情肃穆揭露往事刘涛黄晓明送花圈

于蓝追悼会举行,侄女婿李雪健出席,孙红雷,张一山等人发文悼念

韩国女星张真英遗体告别仪式4日庄严举行图

随机推荐

封面底图 古风

超清4k二次元动漫壁纸鉴赏

张蓝心的尤物身材,大胆穿绿色裹身裙,腰臀比真的是绝了_时尚_观众_在

吊灯雷士照明明欧美式现代简约铁艺复古奢华大气客厅吊灯

摩登兄弟 #吉他92 #摩登兄弟阿卓 #摩登兄弟阿卓生日快 - 抖音

杨紫和张一山怎么还没有在一起?现在看来,当朋友才是最好的选择

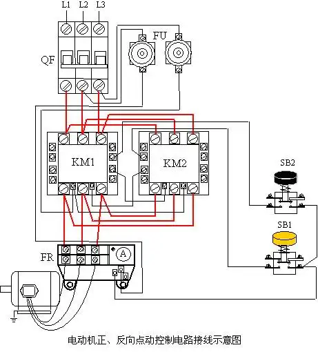
三相异步电动机点动控制电路的检查和试车 常规检查有 1,对照原理

4年前,那个被刀郎告上法庭的降央卓玛,如今的现状令人唏嘘_汪峰_杨娜