知青往事:当年一时冲动,娶了农村媳妇,如今他心里却十分后悔_刘海涛

相关图片

原创发文卖惨辱骂网友从民谣先锋到引发众怒宋冬野经历了什么

刘海涛和于菲菲的婚礼 恭迎您的光临

2021年6月,刘海涛带着黄芳琼去重庆黔江区民政局办结婚证,工作人员

吴奇隆刘诗诗3.20巴厘岛大婚!比"我爱你"更动听的情话是"我会听话的"!

在遇到刘海涛前,黄方琼几乎不敢奢望感情.

随机推荐

益智早教儿童手工diy幼儿园创意贴画动手玩具美术纸盘贴纸3-5-7岁

男士秋装新款皮衣韩版帅气机车痞帅宽松潮男夹克皮衣搭配休闲套装

陈飞宇金发白衫散发出热烈而张扬酷拽且不羁的少年感谁在少女时代搜不

tnt时代少年团 #马嘉祺 #丁程鑫 #宋亚轩 #张真源 #刘耀文

16个中式花园庭院设计一砖一瓦一草一木造就最美院落

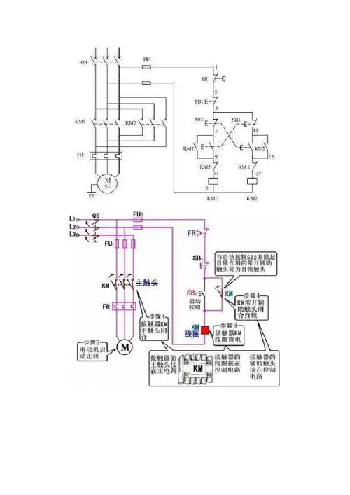
继电器常用自锁电路图_word文档在线阅读与下载_无忧文档

【尚博幼儿园】庆5周年园庆 大型****开始啦!