贺军翔为什么不火了贺军翔为什么叫小美

相关图片

贺军翔

贺军翔晒长发自拍面部沧桑模样大变网友调侃像广西打工仔

不够善良的我们.#贺军翔 #林依晨 #许玮甯 - 抖音

贺军翔吻戏,hebe贺军翔(贺军翔恶作剧之吻)

贺军翔

随机推荐

41岁的谢霆锋素颜不化妆颜值依然这么高

消防员简笔画

马桶呢-97环保节水水箱承载洗手盆,方便洗手,并且废水可以流入水箱

古装漫画头像【古装漫画头像女仙气】

日出海滩风景秀丽,阳光照射 壁纸 - 1920x1200

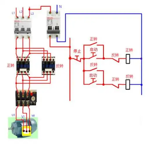
接触器控制三相电机正反转接线,大俵哥最后发一次需要的收藏

王之一《都是一家人》圆满杀青 首次挑梁女一引期待_新浪看点

解缙草书欣赏千字文大图