你见过塌鼻子的帅哥吗

相关图片

当红塌鼻子的男明星,来看看有没有你喜欢的那位_歌曲_吴磊_鼻梁

当红塌鼻子的男明星,来看看有没有你喜欢的那位_歌曲_吴磊_鼻梁

你见过塌鼻子的帅哥吗? - 知乎

这些塌鼻子的男星,照样帅到没朋友_苏有朋_林俊杰_陈奕迅

当红塌鼻子的男明星,来看看有没有你喜欢的那位_歌曲_吴磊_鼻梁

随机推荐

电影《1921》 演唱会《2019王俊凯无边界演唱会》 #王俊凯2021一臀揶

原创抖音上很励志的话句句经典正能量送给所有正在努力奋斗的人

红烧排骨面

燃料电池发电原理与原电池或二次电池相似,电解质隔膜两侧分别发生氢

电热水器怎么上水图解

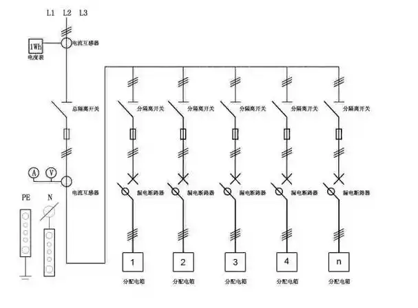
配电箱,开关箱电器可靠,完好,进出线整齐.

杨幂穿搭#一组维密睡衣秀,百搭多变,清新秀丽,尽显女性时尚精致之 ..

中医药大学南京中医药大学宁波大学宁波大学山西大学山西大学上海海洋