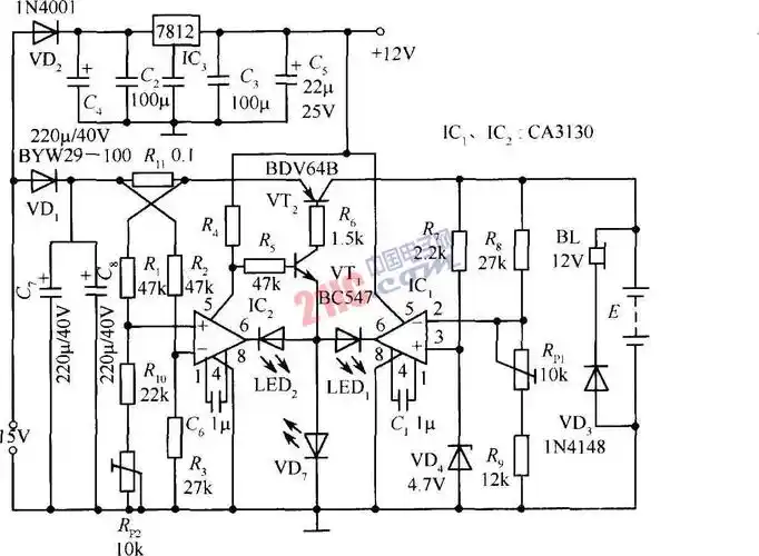
锂电池充电器电路

相关图片

简单的锂电池充电器电路原理

上面给出了18650锂电池充电器和升压器模块的电路图.

电动车gd36充电器电路图

tp40565v锂电池充电电路原理图

汽车电池充电器电路图

随机推荐

王源超搞笑表情包粉丝留言快点一起斗图吧

水晶球里的伤心兔子壁纸

被训话的样子在演我啊#陈伟霆乱停摩托车挨训##陈伟霆挨训内八字

杨紫香蜜沉沉烬如霜

徐伯清的实字其他字帖

35岁杨丞琳又染新发色,扬言要抓住青春的尾巴,长发凌乱笑容甜美_镜头

磨砂真皮坡跟凉鞋女夏超高跟防水台厚底鱼嘴凉鞋女罗马裸色凉鞋子

叶国华撞脸捂嘴哭表情包# 建议大家都去给我看这一集的《梦中的那片