海珠扶贫故事用耐心和细致换真心儿科大夫陈少藩的扶贫坚守

相关图片

儿科(二)6s管理第三周

男宝宝 26月 看看正常吗 - 儿科专业讨论版 - 爱爱医医学论坛

当妈妈们听到孩子不住啼哭的时候,一定要先检查孩子身体的某些部位,如

1224_1632竖版 竖屏

"护幼儿健康,助幼儿成长"景德镇市第二人民医院儿科 步长药业走进浮梁

随机推荐

迪丽热巴与迪丽冷巴双双来袭热的可爱冷的高贵

女劫匪抢劫银行,却爱上帅气小鲜肉,两人携手《末路狂奔》

与瑞士美度表品牌代言人@任嘉伦allen一起戴上#指挥官系列#幻影腕表

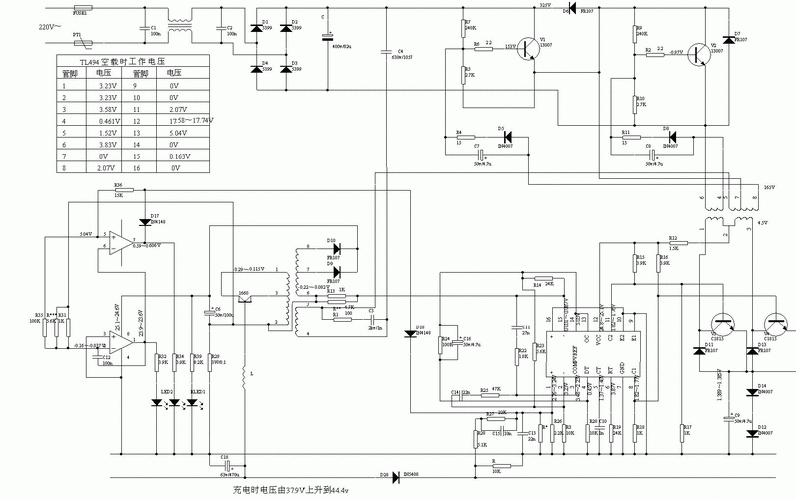
电动车gd36充电器电路图

宗教标志

瘦但又"肉肉"的身材时尚火辣,简单廓形的吊带裙刚好勾勒出jennie完美

过往不恋,将来不负,2020换个微信头像从头开始

怎么扎出可爱气质的露额头发型 露额头马尾发型扎法(3)