天气很冷,冷到滴涕成冰

相关图片

为什么今年天气老是冷(为什么今年天气冷的这么早)

天气说变就变,说冷就冷,一点都不顾及我有没有钱买外套,突如其 - 抖音

卡通手绘表情符图片

抖音这么冷的天把我的气质都冻没了图片带字表情包下载v10

为什么天气冷会有寂寞感(为什么天气冷人会变得没有精神)

随机推荐

17腾讯·星光大赏353037313834@dear-迪丽热巴9131

夜空下的女孩唯美桌面电脑壁纸

早安图片大全祝平安健康幸福快乐

广州地铁与佛山地铁的高颜值列车"蓝精灵"-豪仔乳酸菌-豪仔乳酸菌

于朦胧首支单曲《凝视》首发 致敬回忆

相声演员孟鹤堂

7月13日中午12点,vip爽看全集.

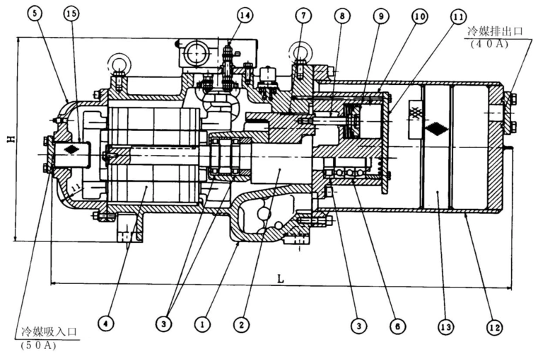
日立螺杆压缩机培训资料