回顾赖文慧一直为刘德华伴舞称得上红颜知己如今41岁仍未婚

相关图片

回顾赖文慧一直为刘德华伴舞称得上红颜知己如今41岁仍未婚

刘德华妻子朱丽倩为爱躲藏23年46岁高龄生子终于等到苦尽甘来

刘德华妻子正面照被曝光,看到真人后惊艳了,难怪藏了整整31年

刘德华老婆是谁 刘德华喜得二胎-春风号

天王女刘向蕙父亲刘德华直说我现在爱女儿比爱老婆多的多

随机推荐

刘诗诗 - 堆糖,美图壁纸兴趣社区

等你下课年少常听周杰伦再听已是伤心人

王一博 - 堆糖,美图壁纸兴趣社区

肖战全身写真!身材比例绝了!每一张都可当壁纸!快快收藏吧!

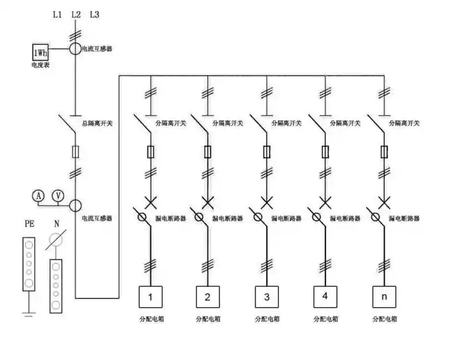
终于把三级配电二级漏保说清楚了

少年派2:林妙妙当众宣布恋情!钱三一变杠精!醋王本领不容小觑

身材丰满,性感的藏族,彝族女歌手,声音清澈,听着如沐春风

下身我要穿短裤,不知道配什么样的短裤,还有穿什么样的鞋子,我是男的