张真源低头笑

相关图片

张真源低头笑

张真源 高光缔造者

温润如玉的张真源不仅眉眼总是带着笑意而且也在默默努力着

张真源 高光缔造者

夏日少年派上线,帅气体委张真源,自信阳光好少年.

随机推荐

姐妹生日聚会

散养2年大黑鸡老母鸡)黑脚鸡土鸡笨鸡柴鸡月子鸡走地鸡跑山鸡整鸡

青岛旅游攻略必去景点三日游(青岛旅游攻略必去景点三日游推荐) - 展

专题 | iphone 高质感壁纸(4k高清)

肖战赵今麦

合肥地铁3号线今日开通运营

亚马逊现货欧美复古新娘头饰面纱结婚发饰饰品脸花格子网纱礼帽

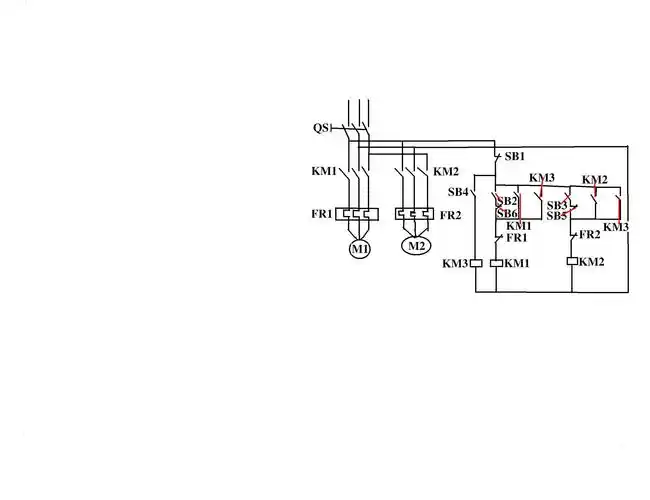
求:电工电路图