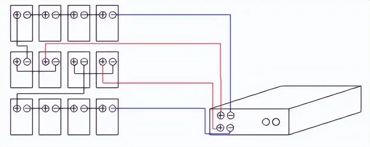
电芯串联图

相关图片

蓄电池串联连接方式示意图-柴油发电机组.png

另外两块电瓶也并联是十二伏,然后这两组电池再串联起来是十二伏加

中我们所见到的48v,60v,72v的电池其实都是由12v一节的电池串联起来的

电动车电瓶接法:串联电池组的正负极输出.

电工之家

随机推荐

明月山之灵

盘点几位小鲜肉男明星,颜值人气都不分上下,你最喜欢谁呢?

ktv生日照来了

像这两件白色的漏胸装和晚礼服一样的露背装,难道这就是80年代男人的

彼岸花图片(彼岸花图片纹身)

最新版漂亮早安问候图片,早安祝福语图片带字

互联网的大脑模型与原子的太阳系模型,科学史上的巨系统对比

春秋款黑色修身针织衫小开衫女毛衣外套春季短款毛线外搭女士上衣