接地扁铁的焊接怎么做才是符合要求的,具体怎么搭接

相关图片

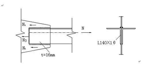
5)扁钢与角钢焊接,紧贴角钢外侧两面,上下两侧施焊.

不太合理做的不到位 应该层叠后焊接

防雷接地工程是如何施工的?_焊接

埋地等电位扁铁焊接处以及焊接钢管均需要使用沥青漆做防 腐处理

5. 总等电位和局部等电位根据设计要求,用镀锌扁铁引出.

随机推荐

王一博二次元图片,王一博撕漫男造型,真人比动漫帅系列!

你认识胡歌的那年是什么时候?

木村拓哉近照曝光面部消瘦法令纹深重显苍老

编辑:文文视觉:锅饭饭图源:instagram,小红书iu新发型,高层次锁骨发

鞠婧祎婚纱照火了,仙气飘飘溢出屏幕,宛如钻石公主在逃!

错峰去看海吃海鲜簸箕大盆菜住90海景房含双人早餐畅玩楼下沙滩踏浪

快手很火的句句撩心的伤感句子句句刺心说破人心现实

最可爱的头像男生,最帅最酷动漫男生头像-图片大观-奇异网