远程控制电气接线图

相关图片

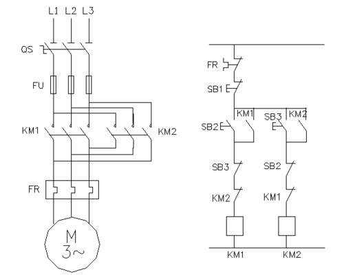
28例电气自动控制电路图都是干货快收藏吧

54种电动机电气控制电路接线图

中国工控28例电气自动控制电路图都是干货快收藏吧

plc编程第一讲长动控制 三相异步电动机全压启停控制的 电气原理图

电工接线不求人,3分钟搞懂电气二次回路图

随机推荐

酷帅有型蔡徐坤舞台写真,高清图片,电脑桌面-壁纸族

"点08遇上前男友怎么办"【贺峻霖×你|做梦素材】

写字有段位,从幼儿园到书法大师的坤字写法大揭秘

星光不负赶路人 时光不负蔡徐坤.kun.

初恋这件小事凯枫剧情向王俊凯x张子枫剪辑版

巾字旁

远恒复方醋酸地塞米松乳膏20g神经性皮炎脂溢性皮炎湿疹皮肤瘙痒

手绘春节除夕三代同堂过节拍全家福人.