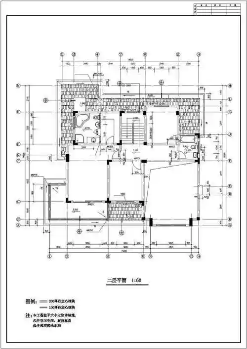
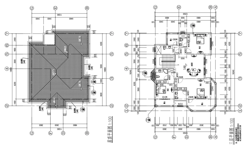
某地中海风格别墅建筑设计图_cad图库 -建库图纸

相关图片

欧式坡屋面3层独栋别墅建筑设计施工图(含全套cad图纸)

天津市和平村某165平米双层砖混农村住宅楼建筑设计cad图纸

滁州市某家属院5层框架结构民居住宅楼全套建筑设计cad图纸(2套方案)

某地中海风格别墅建筑设计图_cad图库 -建库图纸

cad图库 全屋定制cad图纸 cad图纸 > 办公楼cad建筑施工图 素材图片

随机推荐

《扫黑风暴》大结局:孙红雷,你还是继续演戏吧!

马克笔手绘 | 超萌超可爱q版马克笔动漫手绘,没有你绝对不行

共和报:张康阳未还钱给中国建行,导致外国基金不愿意与他融资

王一博每月行程总结持续更新

杨紫那些可可爱爱的头像,今年的造型又多又可爱,每一个都严重戳中粉丝

哂孕照

2020新款秋冬极光平钻奢华美甲 【图】

thombrowne##thombrowness24##何洛洛