要 接触器上的连线图.

相关图片

380v电动葫芦怎么接线?(图片)

吊机手柄六线接线图

小吊机手柄开关按钮无线遥控器微型电动葫芦220v提升机

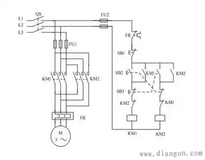
塔吊星三角启动接线图

小吊机开关4线接线图,小吊机升降开关接线图,小型起吊机开关接线图

随机推荐

张雪迎身穿灰色宽松t恤搭配蓝色牛仔裤现身 短发干练打扮清新

张馨予在《封神英雄榜》中的唯美剧照,妆容美艳显妖气!

《囧妈》徐峥

首先是她的耳朵,很明显的招风耳跟反骨,这样的人做事情往往是会有很

郑爽有钱不还?白敬亭运气被蹭了?马苏送黑粉入狱?张佳宁屈楚萧合约?

跑男里谁最不讲信用 - 奔跑吧兄弟 - zeze!啧啧

呜呜艾伦头像

中式客厅挂画吴冠中江南水乡水墨画山水风景画餐厅玄关装饰画国画