你知道头文字d里面gtr,s2000,ae86车上的发动机现在还在用吗

相关图片

日产gtr

gt-r34 头文字d全系跑车介绍第21期

《头文字d》北条凛 座驾nissan skyline gt-r (bnr32)_哔哩哔哩 (゜

【竖屏体验】#6 开着头文字d中里毅同款gtr32在山路漂移是种什么样的

4k 头文字d 无敌战神 钣金王 日产 gtr-32

随机推荐

90高清8k星空手机壁纸,全屏震撼!

男生寸头发型推荐 渐变寸头帅气爆棚_男士短发 - 美发站

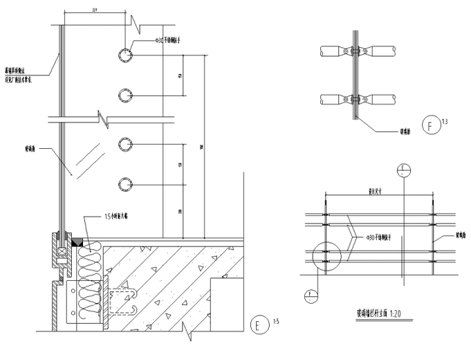
玻璃-不锈钢栏杆节点详图

路虎姐自导自演博关注,把自己作拘留!

许佳琪惊艳到我了一袭红色侧边开叉礼服长裙尽显妩媚优雅

花裤子女生侧腰部彼岸花纹身图案

动漫 少年 头像 白发 银发 看守组 梅露可物语

海滩·日落·壁纸·风景.人间骄阳无限好 落日余晖映眼帘 日暮 - 抖音